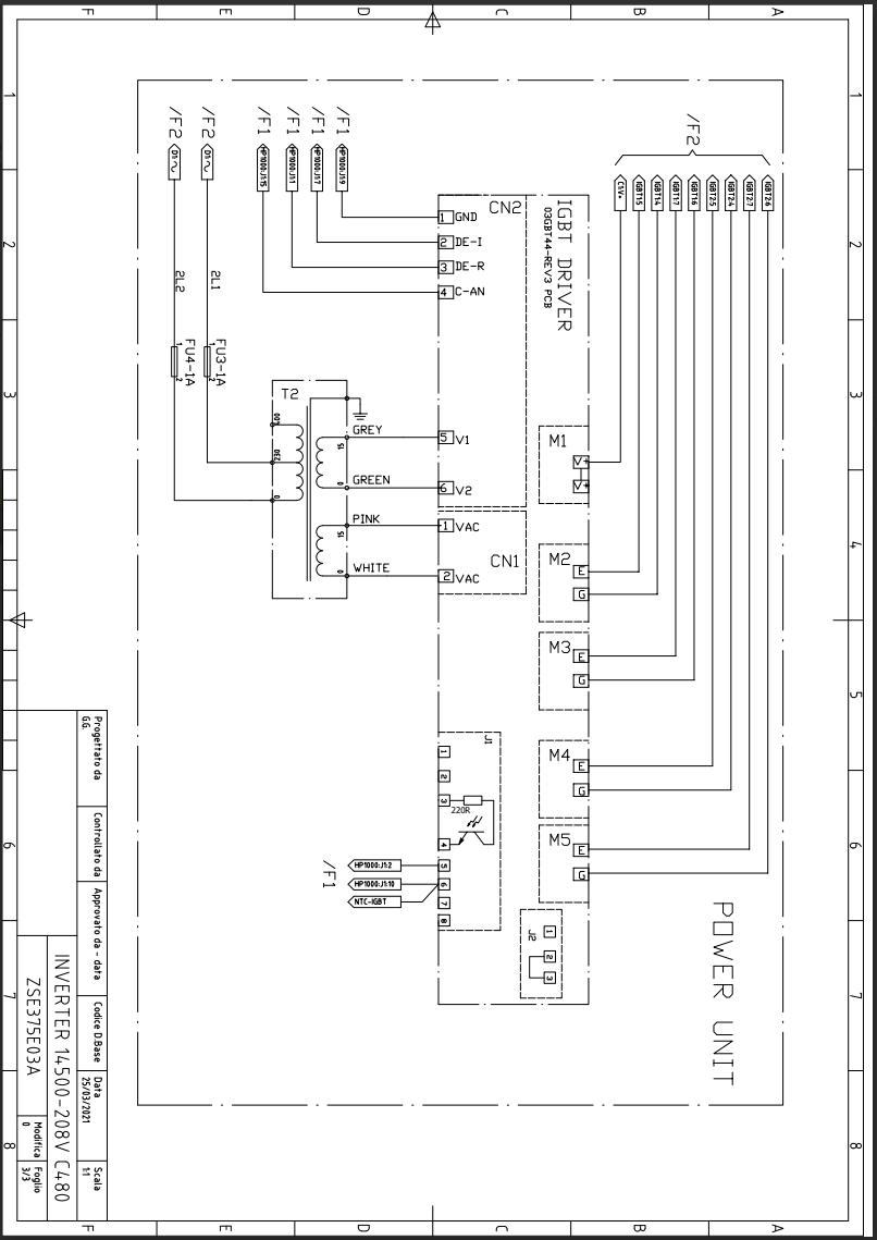
14500v3 - Electrical Diagram (3 of 3)
14500v3 - Electrical Diagram (3 of 3)
Related Articles
Q5.2 - Electrical Diagram
14500v3 - Electrical Diagram (2 of 3)
14500v3 - Electrical Diagram (1 of 3)
14500v2 - Exploded View Diagram
14500v3 - Exploded View Diagram