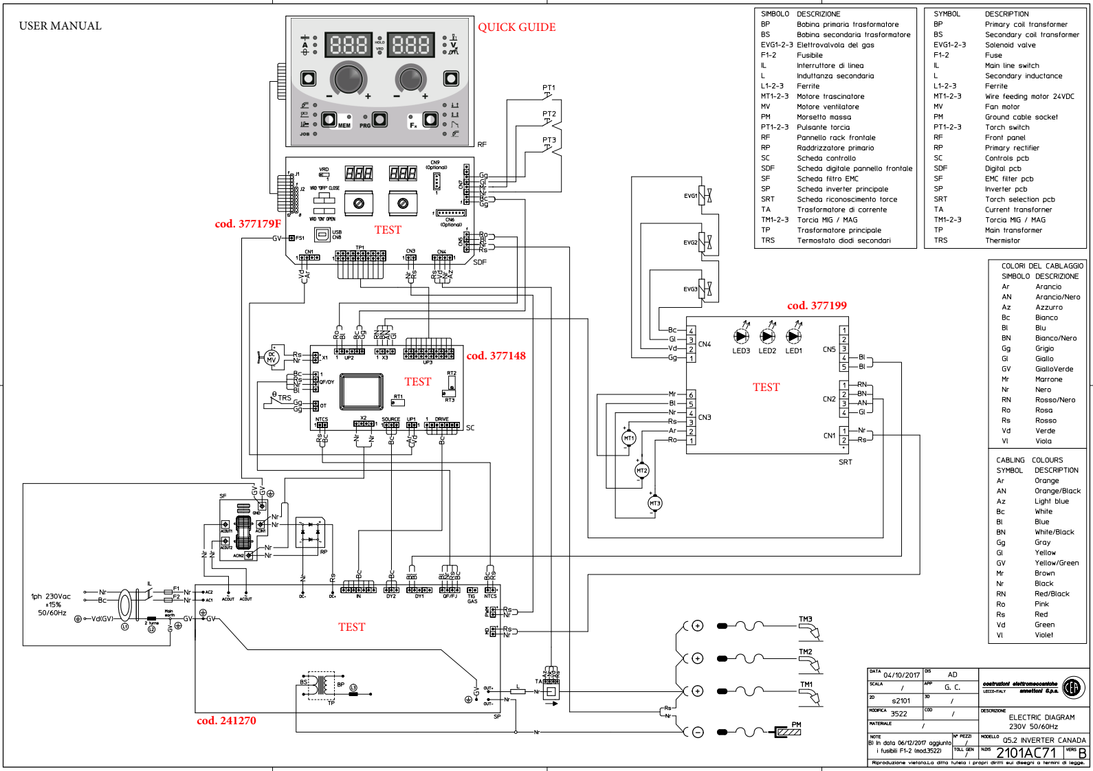
Q5.2 - Electrical Diagram

Q5.2 - Electrical Diagram